 |
|
Aplicación: En este módulo, CivilCAD2000 permite al usuario proyectar puentes de hormigón armado y pretensado de directriz recta o curva y con una sección transversal de forma cualquiera que puede ser variable a lo largo del puente.
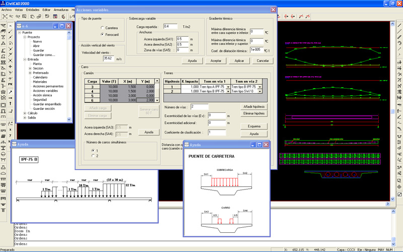
Opcionalmente pueden definirse aligeramientos de sección circular o poligonal. Sobre el puente pueden definirse las siguientes acciones: pretensado, peso propio, superestructura, sobrecarga repartida, carro de cargas puntuales, gradiente térmico, descenso de apoyos a tiempo inicial e infinito, acción vertical del viento y acción sísmica vertical.
El usuario puede elegir los materiales para el hormigón y acero para las armaduras pasiva y activa y modificar los parámetros que definen sus leyes tensión-deformación.
|
|
Cálculo: CivilCAD2000 discretiza automáticamente el tablero, realiza el cálculo de esfuerzos para cada una de las acciones citadas, y obtiene las envolventes para los estados límite último y de servicio en sus distintas combinaciones de carga. A continuación, el usuario puede obtener las tensiones máximas y mínimas que se producen a lo largo del tablero en los distintos instantes de la historia constructiva del puente. El programa permite asimismo desarrollar las comprobaciones a rotura por flexión, cortante y torsión, proporcionando armaduras de cálculo al proyectista.
Los cálculos descritos han sido desarrollados de acuerdo con las normativas de cálculo IAP (Instrucción sobre las acciones a considerar en el proyecto de puentes de carretera) y EHE (Instrucción de Hormigón Estructural, 1998).
|
|
Resultados: Con el módulo Puente pueden obtenerse los siguientes resultados.
- Planos de definición geométrica: secciones longitudinales y transversales del puente y alzados acotados de los cables de pretensado.
- Gráficos y diálogos de resultados: esfuerzos a lo largo del puente para una envolvente cualquiera, tensiones máximas y mínimas a lo largo del tablero para los distintos instantes de la vida del puente.
- Listados: Comprobación a rotura por flexión, cortante y torsión; listado de características geométricas de la sección transversal a lo largo del puente; posición de los cables de pretensado en su desarrollo; longitud de los cables y alargamiento tras su tesado.
- Memoria de cálculo, con la definición del puente, las acciones y los cálculos realizados.
|